




9-19型9-19型不锈钢高压风机是一种广泛应用于工业领域的高压离心风机,其不锈钢材质(通常为304或316)赋予了它耐腐蚀、耐高温和防锈的特性,适合特殊环境下的长期运行。
一、9-19型风机的核心特点
1.型号解析
• 9-19:代表风机的系列型号,其中:
• "9" 表示风机在最高效率点时的全压系数(压力系数)。
• "19" 表示风机在最高效率点时的流量系数(风量系数)。
• 这类风机属于高压离心风机,适用于需要较高风压的场合。
2. 不锈钢材质
• 通常采用304不锈钢或316不锈钢制造,具有以下优势:
• 耐腐蚀性:适用于潮湿、酸碱或腐蚀性气体环境(如化工、电镀、污水处理等)。
• 耐高温性:可耐受较高温度(304不锈钢约200°C,316不锈钢耐腐蚀性更强)。
• 卫生要求:符合食品、医药等行业的清洁标准。
3. 性能特点
• 高风压:适合长管道送风或阻力较大的系统。
• 风量范围:通常风量较小,但压力显著高于中低压风机。
4.结构形式:
• 常见为单吸入式(电机直联或皮带传动)。
• 叶轮为多翼后倾式,经过动平衡校正,运行平稳。
二、 应用场景
1.化工行业
• 用于腐蚀性气体的输送(如酸雾、有机溶剂蒸气等),因不锈钢材质能抵抗化学腐蚀。
• 反应釜排气、废气处理系统的强制通风。
2.环保与废气处理
• 配套废气处理设备(如洗涤塔、活性炭吸附塔、RTO焚烧炉),输送高温或腐蚀性废气。
• 工厂烟尘、焊接烟尘的收集与排放。
3.食品与医药行业
• 符合卫生标准,用于干燥、灭菌、物料输送等洁净环境。
• 316不锈钢材质更适用于高卫生要求的场合(如耐盐雾、耐酸碱)。
4.电镀与电子行业
• 电镀车间酸性气体的排放,防止风机被腐蚀。
• 电子厂房的洁净室通风或废气处理。
5.高温环境
• 可耐受较高温度(通常≤200℃),用于锅炉助燃、热风循环系统等。
6.其他特殊场景
• 实验室通风柜、船舶舱室通风、污水处理曝气等。
三、选型注意事项
1.介质特性
• 需明确输送气体的成分(腐蚀性、温度、粉尘含量),选择304或316不锈钢。
2.风量与风压
根据系统需求匹配型号(如9-19 No.4A至No.6.3A等不同规格)。
3.配套设备
• 若气体含颗粒物,需加装过滤器;高温气体需配置耐高温密封件。
4.维护要求
• 定期检查叶轮磨损和动平衡,避免因腐蚀或积灰导致性能下降。
四、维护要点
• 定期检查叶轮磨损或腐蚀情况。
• 清理附着物(尤其粘性介质可能影响动平衡)。
• 轴承需使用耐高温油脂润滑。
浏览人数
9-19不锈钢高压风机
9-19不锈钢高压风机一般用于锻冶炉及高压强制通风机,可广泛用于输送物料,输送空气及无腐蚀性不自然,不含粘性物质及气体。介质温度一般不超过80℃,介质中所含尘土及颗粒不大于150mg/m3。
产品型式:该风机为A式传动:风机无附加轴承支承,叶轮与电机直联传动。机号有NO3.15、3.55、4、4.5、5、5.6、6.3七种。可制成右旋和左旋两种型式,叶轮顺时针旋转,称为右旋风机。以“右”表示,叶轮逆时针旋转,称为左旋风机,以“左”表示。风机的出口位置,以机壳的出风角度表示,9-19不锈钢高压风机NO3.15~6.3出厂时均做成多种型式,可根据使用单位要求安装成所需的位置,即出风口位置调整范围0°~225°或45°,即(0°、45°、90°、135°、180°、225°)共六种,用户根据需求制成一种方向角度。
结构特点:本风机主要由叶轮、外壳、进气口、电机、连接器、冷却风扇叶片等组成。叶轮:由10个后倾的机翼型叶片、曲线型前盘和平板后盘组成,并经过动平衡校正,气动性能,故运转平衡、振动小、效率高、寿命长等特点。机壳:用钢板焊成蜗型壳体。进风口:制成整体(全部模具成型),装于风机的侧面,于轴向平行的戴面为曲线形状,能使气体顺利进入叶轮,且损失较小。
9-19 Stainless steel high pressure fan
9-19 Stainless steel high pressure fanGenerally used in forging furnace and high pressure forced fan can be widely used for conveying materials conveying air and non-corrosive unnatural free of viscous substances and gases. The temperature of the medium is generally not more than≤80℃ and the dust and particles contained in the medium are not more than 150mg/m3
Product type:The fan is A type drive: the fan is not supported by additional bearings and the impeller is directly driven by the motor. There are seven kinds of machine numbers: NO3.15, 3.55, 4, 4.5, 5, 5.6 and 6.3. Can be made into right-handed and left-handed two types the impeller rotating clockwise called right-handed fan. In & other; Right & throughout; That the impeller rotates counterclockwise called the left cyclone to “ Left & throughout; Said. The outlet position of the fan is expressed by the outlet Angle of the housing. The 9-19 stainless steel high-pressure fan NO3.15~6.3 is made into various types when leaving the factory. It can be installed into the required position according to the requirements of the user that is the adjustment range of the outlet position is 0° ~ 225° Or 45°、 That (0°、 45°、 90°、 135°、 180°、 225°) A total of six kinds the user according to the demand to make a direction Angle
Structure features:The fan is mainly composed of impeller housing air inlet motor connectors cooling fan blades etc. Impeller: Composed of 10 backward leaning wing blades curVILinear front disc and plate rear disc and through dynamic balance correction aerodynamic performance so the operation balance small vibration high efficiency long life and other characteristics. Housing: welded with steel plate into a cochlear housing. Air INLET: MADE into a WHOLE (all mold molding) installed on the side of the fan parallel to the axial surface for curve shape can make the gas smoothly into the impeller and the loss is small
| 机 号 Model(NO) |
|||||
|---|---|---|---|---|---|
| 转 速 Speed(r/min) |
功 率 Power(KW) |
机座号 Poles frame size-p |
流 量 Volume(M3/h) |
全 压 Total pressure(pa) |
|
| 3.15A | 2900 | 0.75-2 | Y132S-2 | 402-545 | 2223-2262 |
| 2900 | 1.1-2 | Y80M-2 | 617-832 | 2231-2017 | |
| 3.55A | 2900 | 1.5-2 | Y90S-2 | 560-760 | 2545-2590 |
| 2900 | 2.2-2 | Y90L-2 | 860-1160 | 2554-2310 | |
| 4A | 2900 | 2.2-2 | Y90L-2 | 824-1264 | 3584-3597 |
| 2900 | 3.0-2 | Y100L-2 | 1410-1704 | 3507-3253 | |
| 4.5A | 2900 | 4.0-2 | Y112M-2 | 1174-2062 | 4603-4447 |
| 2900 | 5.5-2 | Y132S-2 | 2281-2504 | 4297-4112 | |
| 5A | 2900 | 7.5-2 | Y132S-2 | 1610-2844 | 5697-5517 |
| 2900 | 11.0-2 | Y160M-2 | 3166-3488 | 5323-5080 | |
| 5.6A | 2900 | 11.0-2 | Y160M-2 | 2622-3619 | 7182-7109 |
| 2900 | 18.5-2 | Y160L-2 | 3996-4901 | 6954-6400 | |
| 6.3A | 2900 | 18.5-2 | Y160L-2 | 3220-5153 | 9149-9055 |
| 2900 | 30.0-2 | Y200L-2 | 5690-6978 | 8857-8148 |
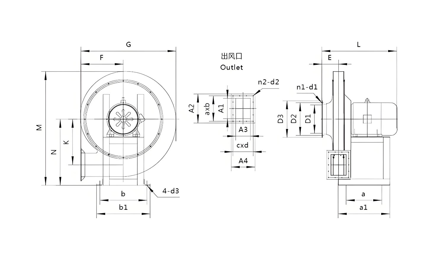
外形及安装尺寸示意图 Lnstallation size diagram

| 机号 | |||||||||||
|---|---|---|---|---|---|---|---|---|---|---|---|
| 进风口尺寸 Air inlet | 出风口尺寸 Vent | ||||||||||
| Model | D1 | D2 | D3 | n1-d1 | A1 | A2 | A3 | A4 | a*b | c*d | n2-d2 |
| 3.15 | 147 | 180 | 210 | 8-Φ8 | 107 | 168 | 93 | 154 | 69.5*2 | 60*2 | 8-Φ11 |
| 3.55 | 165 | 197 | 215 | 130 | 198 | 96 | 155 | 55*3 | 63*3 | 10-Φ11 | |
| 4 | 186 | 211 | 244 | 135 | 202 | 110 | 170 | 57*3 | 70*2 | 10-Φ11 | |
| 4.5 | 208 | 230 | 253 | 145 | 212 | 110 | 170 | 61*3 | 70.5*2 | 10-Φ11 | |
| 5 | 227 | 258 | 285 | 163 | 230 | 133 | 194 | 66*3 | 81*2 | 10-Φ11 | |
| 5.6 | 258 | 285 | 305 | 193 | 251 | 163 | 223 | 75*3 | 64.3*3 | 12-Φ11 | |
| 6.3 | 290 | 323 | 350 | 205 | 270 | 165 | 226 | 81*3 | 65*3 | 12-Φ11 | |
| 机号 | ||||||||||||
|---|---|---|---|---|---|---|---|---|---|---|---|---|
| 外形及安装尺寸 Shape and installation dimensions | ||||||||||||
| Model | G | M | L | F | N | K | E | a | b | a1 | b1 | d1 |
| 3.15 | 484 | 586 | 362 | 221 | 336 | 234 | 74 | 330 | 120 | 355 | 245 | Φ11 |
| 3.55 | 549 | 660 | 397 | 255 | 370 | 254 | 86 | 365 | 140 | 397 | 260 | |
| 4 | 620 | 700 | 466/426 | 283 | 400 | 286 | 98 | 350 | 200 | 385 | 360 | |
| 4.5 | 692 | 780 | 567/492 | 325 | 450 | 330 | 109 | 390 | 240 | 430 | 410 | |
| 5 | 763 | 880 | 706/576 | 362 | 500 | 352 | 120 | 450 | 340 | 500 | 440 | |
| 5.6 | 820 | 980 | 768/723 | 367 | 570 | 400 | 133 | 484 | 350 | 532 | 447 | |
| 6.3 | 933 | 1100 | 908/783 | 426 | 645 | 450 | 148 | 570 | 450 | 625 | 567 | |

品牌:万通星风 品名:不锈钢高压风机 型号:9-19型 简介:一般用于锻冶炉及高压强制通风,并可广泛用于物料输送,并适用于输送空气及无腐蚀性、不自然、不含有粘性物质之气体。